Измерение

Описание продукта
CHQ 3- G Трехфазный четыре провода в разделе напряжения ProtectorSInce Комплексный прокат -защитник является моей компанией в соответствии с текущим состоянием разработки сетки нового поколения устройства защиты домохозяйств. Схема управления использует сборку импортированных компонентов, с модульными продуктами, стандартами производства, отличной производительности, надежными. Возможность работать в условиях аномального напряжения является нормальным. Когда сетевое напряжение больше, чем защитник, защитник может быстро и надежно отключить источник питания, чтобы защитить электрическую безопасность. Когда сетевое напряжение возвращается к нормальному, защитник может автоматически включать питание, чтобы восстановить питание, все функции автоматически не требуют работы. Включите светодиод на передней панели. Светло -зеленый - это рабочее индикатор напряжения, индикатор светло -световой красный свет не яркий, когда начинается нормальная функция питания и защита, когда красный свет для отключения источника питания. CHQ 3- G Трехфазный четыре провода в разделе напряжения ProtectorSInce Compact, красивый внешний вид, установка и DZ47 (C45) Guide Gm.
Руководство по выбору

Основные технические параметры
|
Модель Технические параметры |
CHQ 3- G (36) |
||||
|
Оцененное напряжение переменного тока |
220V |
||||
|
частота |
50 Гц |
||||
|
Через максимальный ток |
20A |
32A |
40A |
50A |
63A |
|
Максимальная мощность нагрузки |
4,4 кВА |
6,6 кВА |
8,8 кВА |
11 кВА |
13,8 кВА |
|
Действие избыточного давления для отключения значений |
260-275 Vac |
||||
|
Значение восстановления избыточного давления |
48 ± 5vac |
||||
|
Действие пониженного напряжения для отключения значений |
170 ± 5VAC |
||||
|
Задолженно |
183 ± 5VAC |
||||
|
После задержки передачи питания |
1-5 минуты |
||||
|
Их энергопотребление |
Меньше или равна 2 Вт |
||||
|
Электрическая механическая жизнь |
Больше или равного 9 десяти тысяч раз |
||||
|
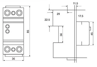
форма |
85 мм × 36 мм × 66,5 мм (длинный * широкий * высокий) |
||||
R-Ten о нас
О:Shanghai Tengzheng Electric Co., Ltd. (Leqing Tengtai Electric Co., Ltd.)-крупномасштабное предприятие, специализирующееся на производстве;
Преимущества: Годовая производственная мощность 46, 000 единиц, гарантированное предложение.
Культура:Тэн Тай, всегда хочу идти впереди! Он должен стать лидером электрического возраста, придерживаясь корпоративной философии ...
Честь:Tengtai National Top Tue Brands, IS09001: 2000 Сертификация системы управления качеством ……
Teng Thai Electrical Talent Strategy:
1. Ориентированный на людей, широкий поли
2. Нанимать людей: нет старшинства, всемогущего, присоски, честного конкурса, превосходного плохого выброса;
3. С помощью удержания, целевого, проекта, управления, основанным на знаниях, пусть конкретное удержание, пусть тот факт, что удержание;
4. С эмоциями: внедрение «Плана опционов с ограниченными вариантами акций», чтобы внести значительный вклад в сотрудников, особенно старших сотрудников технического развития, управления, маркетингового персонала, в соответствии с принципом распределения в соответствии с распределенными работами акций.
5. Перепечивание: в соответствии с личными сильными сторонами соответствующего графика работы и личной цели, тесно интегрированной с развитием компании.





горячая этикетка : CHQ 3- g серия Трехфазной четырехпроводной Четырехпроводной Человек и Протектора Недовольного Власти, China CHQ 3- G Series Трехфазное четырехпроводное поставщики и протекает недостатки., Защита для защиты напряжения корыто, Напряжение пиковой защитник, Устройство переезда перенапряжения, Формирование формы формы волны с электричеством, Защита напряжения, формирование формы формы волны мощности











